Peças de reposição Wichmann
Temos peças de reposição Wichmann 8VX28 (low NOx), Wichmann ACA/ACAT, Wichmann AXA/AXAG em estoque. Veja a lista abaixo:
Produtos
| Ref. Id | Manufacture | Type | Component | Remarks | Vessel | 
|---|---|---|---|---|---|
                            
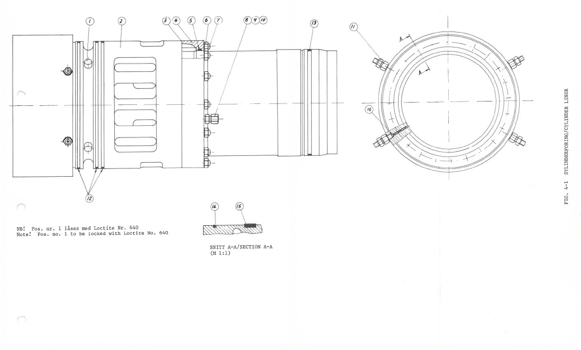
                                13_21_08
                                     
                            
                         | 
                            Wichmann | AXA/AXAG | Cylinder liner | 3AX-2000PS1. The liner is measured directly when it’s removed from engine. | |
| 13_37 | Wichmann | 8VX28 ( Low Nox ) | Fuel pump | LOW NOX | |
| 13_36 | Wichmann | 8VX28 ( Low Nox ) | Cylinder liner | A4 6013, IMO:22001 DWG no: 3V001ES1 | |
| 13_32 | Wichmann | 8VX28 ( Low Nox ) | Cylinder head | 3.A1, IMO:22101 DWG no: 3V00-201K | |
| 13_31 | Wichmann | AXA / AXAG | Charge air cooler | From Wichmann 5 AXA (need to be pressure tested.) | |
| 13_29 | Wichmann | AXA / AXAG | Lub oil pump | From Wichmann 4 AXA | |
                            
                                13_28
                                     
                            
                         | 
                            Wichmann | AXA / AXAG | Fuel pipe | Double skin ( Check types ) | |
| 13_27 | Wichmann | AXA / AXAG | Fuel pump | ||
| 13_25 | Wichmann | AXA / AXAG | Blower | Type GS33-105, IMO marked, LOW NOX | |
                            
                                13_21
                                     
                            
                         | 
                            Wichmann | AXA / AXAG | Cylinder liner | "AS IS" removed from engine. | |
| 13_20 | Wichmann | AXA / AXAG | Connecting rod, complete | ||
| 13_19 | Wichmann | AXA / AXAG | Piston w. connecting rod | 3 belt | |
| 13_18 | Wichmann | AXA / AXAG | Piston | 2 belt / 3 belt | |
| 13_17 | Wichmann | AXA / AXAG | Injector, complete | ||
| 13_16 | Wichmann | AXA / AXAG | Cylinder head | ||
| 13_14 | Wichmann | AX / AXG | Cooling water Jacket, liner | Scanfjell | |
| 13_13 | Wichmann | AX / AXG | The liner is measured directly when it’s removed from engine. | Check | |
| 13_12 | Wichmann | AX / AXG | Connecting rod, complete | ||
| 13_11 | Wichmann | AX / AXG | Piston w. connecting rod | ||
| 13_10 | Wichmann | AX / AXG | Piston | ||
| 13_9 | Wichmann | AX / AXG | Injector, complete | ||
| 13_8 | Wichmann | AX / AXG | Cylinder head | ||
| 13_7 | Wichmann | AX / AXG | Cylinder head | Scanfjell | |
| 13_3 | Wichmann | ACA / ACAT | Connecting rod | For large dia. Crankshaft | |
| 13_2 | Wichmann | ACA / ACAT | Piston | ||
| 13_1 | Wichmann | ACA / ACAT | Cylinder head |